安徽长远机电股份有限公司专业生产金属屏蔽电力电缆,耐高温控制电缆,计算机电缆DJYPVP产品,拥有多年的生产经验,热电偶WRN,电接点压力表YXC,计算机电缆DJYPVP产品受到广大客户的青睐欢迎各位来电垂询!
设为首页
|
加入收藏
站内搜索:
产品中心
企业相册
新闻资料
下载中心
其他信息
首页
关于我们
公司简介
组织机构
经营理念
联系我们
新闻动态
企业动态
业内资讯
技术支持
行业标准
产品中心
温度传感器
压力表系列
企业相册
企业环境
下载中心
人力资源
留 言 簿
联系我们
首页
-
温度传感器
-
电站专用热电偶、热电阻
锅炉炉壁铠装热电偶
产品名称:锅炉炉壁铠装热电偶
产品编号:14538-171
产品型号:
更新时间:2013.06.08
企业单位:安徽长远机电股份有限公司
更多产品图片:
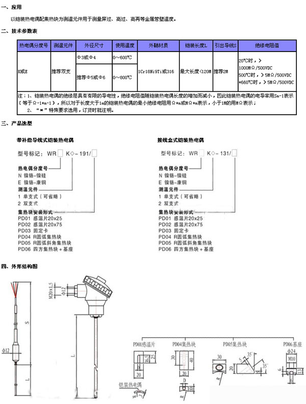
产品详细介绍:
下一篇:
循环硫化床电厂专用耐磨热电偶
上一篇:
插座式热电阻
产品类别
温度传感器
压力表系列
联系我们
名称:
安徽长远机电股份有限公司
电话:0550-7766555
传真:0550-7766444
地址:安徽省天长市经济开发区经五路纬三路18号
邮箱:cyxs@ahcygf.com
网站:
www.ahcygf.com
展开
收缩
QQ咨询
在线咨询
电话咨询
0550-7766555
留言反馈