耐磨切断热电偶
产品名称:耐磨切断热电偶
产品编号:17455-949
产品型号:
更新时间:2013.06.08
企业单位:安徽长远机电股份有限公司
更多产品图片:
产品编号:17455-949
产品型号:
更新时间:2013.06.08
企业单位:安徽长远机电股份有限公司
更多产品图片:
产品详细介绍:

1、应用
通过在耐磨头堆焊Ni+Wc35,使钢的硬度提高。适用于生产现场存在高耐磨固体颗粒或流体,当保护管发生损坏时可切断热电偶。是炼油厂催化裂化不可缺少的测温装置。
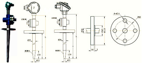
2、主要技术参数
电气出口:M20×1.5.NTP1/2
耐磨头硬度:HRC62-65
防护等级:IP65
隔爆等级:d‖BT4,d‖CT5
公称压力:2.5MPa
3、型号及规格
| 型 号 | 分度号 | 测温范围℃ | 保护管材料 | 热响应时间 | 规 格 |
|
WRP-430MQ WRR2-430MQ |
S | 0-1300 | GH2140 | <180S |
450X300 500X350 550X400 600X450 650X500 750X600 950X750 1150X1000 |
|
WRN-430MQ WRN2-430MQ |
K | 0-1000 | GH3030 | ||
| 0-800 | 1Cr18Ni9Ti | ||||
|
WRE-430MQ WRE2-430MQ |
E | 0-600 | 1Cr18Ni9Ti | ||
|
WRP-440MQ WRR2-440MQ |
S | 0-1300 | GH2140 | ||
|
WRN-440MQ WRN2-440MQ |
K | 0-1000 | GH3030 | ||
| 0-800 | 1Cr18Ni9Ti | ||||
|
WRE-440MQ WRE2-440MQ |
E | 0-600 | 1Cr18Ni9Ti |
1)热电偶I级按协议订货;
2)型号430为防水式,型号440为隔爆式。



